Каталог

Технические характеристики:
Вид стрелочного перевода
Одиночный с пересечением
Ширина колеи, мм
1524
Полная длина, мм
18458
Радиус бокового пути, мм
в стрелке
30762
в соединительных рельсах
32445
в крестовинах
28196
Максимальная статическая нагрузка на рельс, кН
120
Максимальная скорость движения, км/ч
по прямому пути в пошерстном направлении
15
по прямому пути в противошерстном направлении
5
по боковому пути в пошерстном направлении
15
по боковому пути в противошерстном направлении
5
Максимальная длина отгрузочного места, мм
7243
Максимальная масса отгрузочного места, т
2,2
Масса (без брусьев), т не более
8,4

Технические характеристики:
Вид стрелочного перевода
Одиночный
Ширина колеи, мм
1524
Полная длина, мм
10811
Радиус бокового пути, мм
в стрелке
30762
в соединительных рельсах
22320
Максимальная статическая нагрузка на рельс, кН
120
Максимальная скорость движения, км/ч
по прямому пути в пошерстном направлении
15
по прямому пути в противошерстном направлении
5
по боковому пути в пошерстном направлении
15
по боковому пути в противошерстном направлении
5
Максимальная длина отгрузочного места, мм
6799
Максимальная масса отгрузочного места, т
2,2
Масса (без брусьев), т не более
3,855

Технические характеристики:
Вид стрелочного перевода
Одиночный
Ширина колеи, мм
1524
Полная длина, мм
10332
Радиус бокового пути, мм
в стрелке
30762
в соединительных рельсах
17758
в крестовине
20000
Максимальная статическая нагрузка на рельс, кН
120
Максимальная скорость движения, км/ч
по прямому пути в пошерстном направлении
15
по прямому пути в противошерстном направлении
5
по боковому пути в пошерстном направлении
15
по боковому пути в противошерстном направлении
5
Максимальная длина отгрузочного места, мм
6320
Максимальная масса отгрузочного места, т
2,2
Масса (без брусьев), т не более
4,664

Технические характеристики:
Вид стрелочного перевода
Одиночный
Ширина колеи, мм
1524
Полная длина, мм
11477
Радиус бокового пути, мм
30762
Максимальная статическая нагрузка на рельс, кН
120
Максимальная скорость движения, км/ч
по прямому пути в пошерстном направлении
15
по прямому пути в противошерстном направлении
5
по боковому пути в пошерстном направлении
15
по боковому пути в противошерстном направлении
5
Максимальная длина отгрузочного места, мм
7465
Максимальная масса отгрузочного места, т
2,2
Масса (без брусьев), т не более
5,5

Технические характеристики:
Вид стрелочного перевода
Одиночный
Ширина колеи, мм
1524
Полная длина, мм
13428
Радиус бокового пути, мм
30762
Максимальная статическая нагрузка на рельс, кН
120
Максимальная скорость движения, км/ч
по прямому пути в пошерстном направлении
15
по прямому пути в противошерстном направлении
5
по боковому пути в пошерстном направлении
15
по боковому пути в противошерстном направлении
5
Максимальная длина отгрузочного места, мм
9416
Максимальная масса отгрузочного места, т
2,2
Масса (без брусьев), т не более
5,7

Технические характеристики:
Вид стрелочного перевода
Одиночный
Ширина колеи, мм
1524
Полная длина, мм
11064
Радиус бокового пути, мм
в стрелке
30762
в соединительных рельсах
30762, 25762
в крестовине
25762
Максимальная статическая нагрузка на рельс, кН
120
Нормативный ресурс до снятия, млн. т
по прямому пути в пошерстном направлении
15
по прямому пути в противошерстном направлении
5
по боковому пути в пошерстном направлении
15
по боковому пути в противошерстном направлении
5

Технические характеристики:
Вид стрелочного перевода
Одиночный
Ширина колеи, мм
1524
Полная длина, мм
11002
Радиус бокового пути, мм
в стрелке
30762
в соединительных рельсах
27561
в крестовине
25762
Максимальная статическая нагрузка на рельс, кН
120
Максимальная скорость движения, км/ч
по прямому пути в пошерстном направлении
15
по прямому пути в противошерстном направлении
5
по боковому пути в пошерстном направлении
15
по боковому пути в противошерстном направлении
5
Максимальная длина отгрузочного места, мм
6990
Максимальная масса отгрузочного места, т
2,2
Масса (без брусьев), т не более
4,824

Технические характеристики:
Вид стрелочного перевода
Одиночный
Ширина колеи, мм
1524
Полная длина, мм
11002
Радиус бокового пути, мм
в стрелке
30762
в соединительных рельсах
32445
в крестовине
29186
Максимальная статическая нагрузка на рельс, кН
120
Максимальная скорость движения, км/ч
по прямому пути в пошерстном направлении
15
по прямому пути в противошерстном направлении
5
по боковому пути в пошерстном направлении
15
по боковому пути в противошерстном направлении
5
Максимальная длина отгрузочного места, мм
2,2
Максимальная масса отгрузочного места, т
4,56

Технические характеристики:
Вид стрелочного перевода
Одиночный
Ширина колеи, мм
1524
Полная длина, мм
10920
Радиус бокового пути, мм
30762
Максимальная скорость движения, км/ч
по прямому пути в пошерстном направлении
15
по прямому пути в противошерстном направлении
5
по боковому пути в пошерстном направлении
15
по боковому пути в противошерстном направлении
5
Максимальная длина отгрузочного места, мм
6908
Максимальная масса отгрузочного места, т
2,2
Масса (без брусьев), т не более
5,9

Технические характеристики:
Ширина колеи, мм
1524
Полная длина, мм
3250
Максимальная статическая нагрузка на рельс, кН
150
Максимальная скорость движения, км/ч
80
Максимальная длина отгрузочного места, мм
3915
Максимальная масса отгрузочного места, т
576
Масса (без брусьев), т не более
1185

Технические характеристики:
Ширина колеи, мм
1524
Полная длина, мм
3250
Максимальная статическая нагрузка на рельс, кН
150
Максимальная скорость движения, км/ч
80
Максимальная длина отгрузочного места, мм
4060
Максимальная масса отгрузочного места, т
519
Масса (без брусьев), т не более
1189
Описание
Температурный компенсатор рельсовый Р65 – подвижный рельсовый стык особой конструкции, допускающий продольные перемещения конца одного рельса относительно другого до 100 мм, укладываемый на мостах и эстакадах, а также на обособленных и необособленных участках трамвайных путей. Назначение температурного компенсатора рельсового Р65 – снятие продольных напряжений в рельсах (рельсовых плетях) трамвайных путей, возникающих при продольном перемещении концевых участков путей из-за изменения температуры окружающей среды. Конструкция компенсатора предусматривает наличие гарантированных зазоров между поверхностями литых упорных клемм и боковыми поверхностями подошвы рельсовых деталей для гарантированного взаимного перемещения в процессе эксплуатации изделия, а также защитный металлический короб с крышками для защиты основных узлов изделия от внешнего механического воздействия.

Технические характеристики:
Вид стрелочного перевода
Одиночный
Ширина колеи, мм
1524
Полная длина, мм
25661
Радиус бокового пути, мм
50762
Максимальная статическая нагрузка на рельс, кН
120
Максимальная скорость движения, км/ч
по прямому пути
20
по боковому пути
15
Максимальная длина отгрузочного места, мм
6715
Максимальная масса отгрузочного места, т
2,3
Масса (без брусьев), т не более
12,928

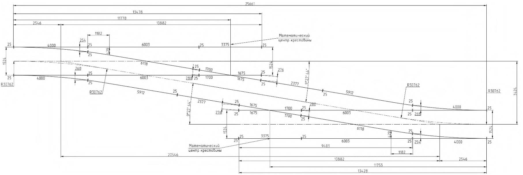
Технические характеристики:
Вид стрелочного перевода
Одиночный
Ширина колеи, мм
1524
Полная длина, мм
25661
Радиус бокового пути, мм
30762
Максимальная статическая нагрузка на рельс, кН
120
Максимальная скорость движения, км/ч
по прямому пути в пошерстном направлении
20
по прямому пути в противошерстном направлении
20
по боковому пути в пошерстном направлении
15
по боковому пути в противошерстном направлении
15
Максимальная длина отгрузочного места, мм
6118
Максимальная масса отгрузочного места, т
1,7
Масса (без брусьев), т не более
14,73

Технические характеристики:
Вид стрелочного перевода
С гибкими остряками
Ширина колеи, мм
1524
Полная длина, мм
4800
Радиус бокового пути, мм
50762
Максимальная статическая нагрузка на рельс, кН
120
Максимальная скорость движения, км/ч
по прямому пути в пошерстном направлении
20
по прямому пути в противошерстном направлении
20
по боковому пути в пошерстном направлении
15
по боковому пути в противошерстном направлении
15
Максимальная длина отгрузочного места, мм
5465

Технические характеристики:
Вид стрелочного перевода
С гибкими остряками
Ширина колеи, мм
1524
Полная длина, мм
4000
Радиус бокового пути, мм
30762
Максимальная статическая нагрузка на рельс, кН
120
Максимальная скорость движения, км/ч
по прямому пути в пошерстном направлении
20
по прямому пути в противошерстном направлении
20
по боковому пути в пошерстном направлении
15
по боковому пути в противошерстном направлении
15
Максимальная длина отгрузочного места, мм
4665

Технические характеристики:
Вид стрелочного перевода
Двойной симметричный
Ширина колеи, мм
1524
Полная длина, мм
23802
Радиус бокового пути, мм
в стрелках
50762
в соединительных путях
50762, 25000
в крестовинах
20000, 25000
Максимальная статическая нагрузка на рельс, кН
100
Максимальная скорость движения, км/ч
по прямому пути
20
по боковому пути
15
Максимальная длина отгрузочного места, мм
4800
Максимальная масса отгрузочного места, т
2,13
Масса (без брусьев), т не более
12,455

Технические характеристики:
Вид стрелочного перевода
Одиночный с пересечением
Ширина колеи, мм
1524
Полная длина, мм
23802
Радиус бокового пути, мм
в стрелке
50762
в соединительных путях
55207
в крестовинах
54186
Максимальная статическая нагрузка на рельс, кН
120
Максимальная скорость движения, км/ч
по прямому пути в пошерстном направлении
20
по прямому пути в противошерстном направлении
20
по боковому пути в пошерстном направлении
15
по боковому пути в противошерстном направлении
15
Максимальная длина отгрузочного места, мм
6138
Максимальная масса отгрузочного места, т
2,13
Масса (без брусьев), т не более
10,974

Технические характеристики:
Вид стрелочного перевода
Одиночный с пересечением
Ширина колеи, мм
1524
Полная длина, мм
19686
Радиус бокового пути, мм
в стрелке
50762
в соединительных путях
28642
в крестовинах
29186
Максимальная статическая нагрузка на рельс, кН
120
Максимальная скорость движения, км/ч
по прямому пути в пошерстном направлении
20
по прямому пути в противошерстном направлении
20
по боковому пути в пошерстном направлении
15
по боковому пути в противошерстном направлении
15
Максимальная длина отгрузочного места, мм
4800
Максимальная масса отгрузочного места, т
2,13
Масса (без брусьев), т не более
10,905
Товары
1 - 18 из 136
Начало | Пред. |
1
2
3
4
5
|
След. |
Конец